PP Full View Sight Glass Valves


PP Sight Glass Valves
DATA SHEET FOR PP Full View SIGHT GLASS VALVES
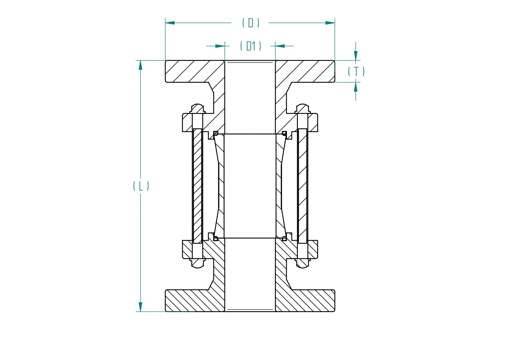
Dimensions for PP Full View Sight Glass Valves
Features
Material Specification
Pressure Rating
Max Temperature Rating
Drilling Standards
Dimensions for PP Full View Sight Glass Valves
| FLANGE DIMENSIONS | |||||||||||
|---|---|---|---|---|---|---|---|---|---|---|---|
| Size | Inch | D | D1 | T | L | BS 10 Table “F” | ASA #150 | ||||
| PCD | Dia of Hole | No. of Hole | PCD | Dia of Hole | No. of Hole | ||||||
| 25NB | 1″ | 115 | 23 | 17 | 194 | 87 | 14 | 4 | 79 | 14 | 4 |
| 40NB | 1½” | 140 | 38 | 17 | 209 | 105 | 15 | 4 | 98 | 15 | 4 |
| 50NB | 2″ | 163 | 49 | 21 | 243 | 127 | 17 | 4 | 120 | 17 | 4 |
| 65NB | 2½” | 181 | 64 | 21 | 245 | 145 | 17 | 8 | 140 | 17 | 8 |
| 80NB | 3″ | 205 | 74 | 27 | 269 | 165 | 17 | 8 | 152 | 17 | 8 |
| 100NB | 4″ | 230 | 97 | 34 | 280 | 191 | 17 | 8 | 191 | 17 | 8 |
| 150NB | 6″ | 300 | 150 | 34 | 330 | 260 | 18 | 12 | 241 | 18 | 12 |
Features
- Heavy
- Full view window of Borosil toughened glass
Material Specification
| SR. NO. | PART | MATERIAL | QUANTITY |
|---|---|---|---|
| 1 | Side piece / connector | PP | 2 |
| 2 | Glass Tube | Borosil toughened | 1 |
| 3 | Glass Seal | Neoprene | 2 |
| 4 | Stud, Nut and Washer | MS Galvanized / SS-304 | Req. |
Pressure Rating
| PART | SIZE | PRESSURE RATING |
|---|---|---|
| BODY | 25NB TO 100NB | 10 KG/CM² (140 PSI) |
| SEAT | 25NB TO 100NB | 10 KG/CM² (140 PSI) |
Max Temperature Rating
- PPCP-Polypropylene Co-Polymer-800 C
Drilling Standards
- ASA #150
- F- Table
- Capsule Shape (Universal Drill)