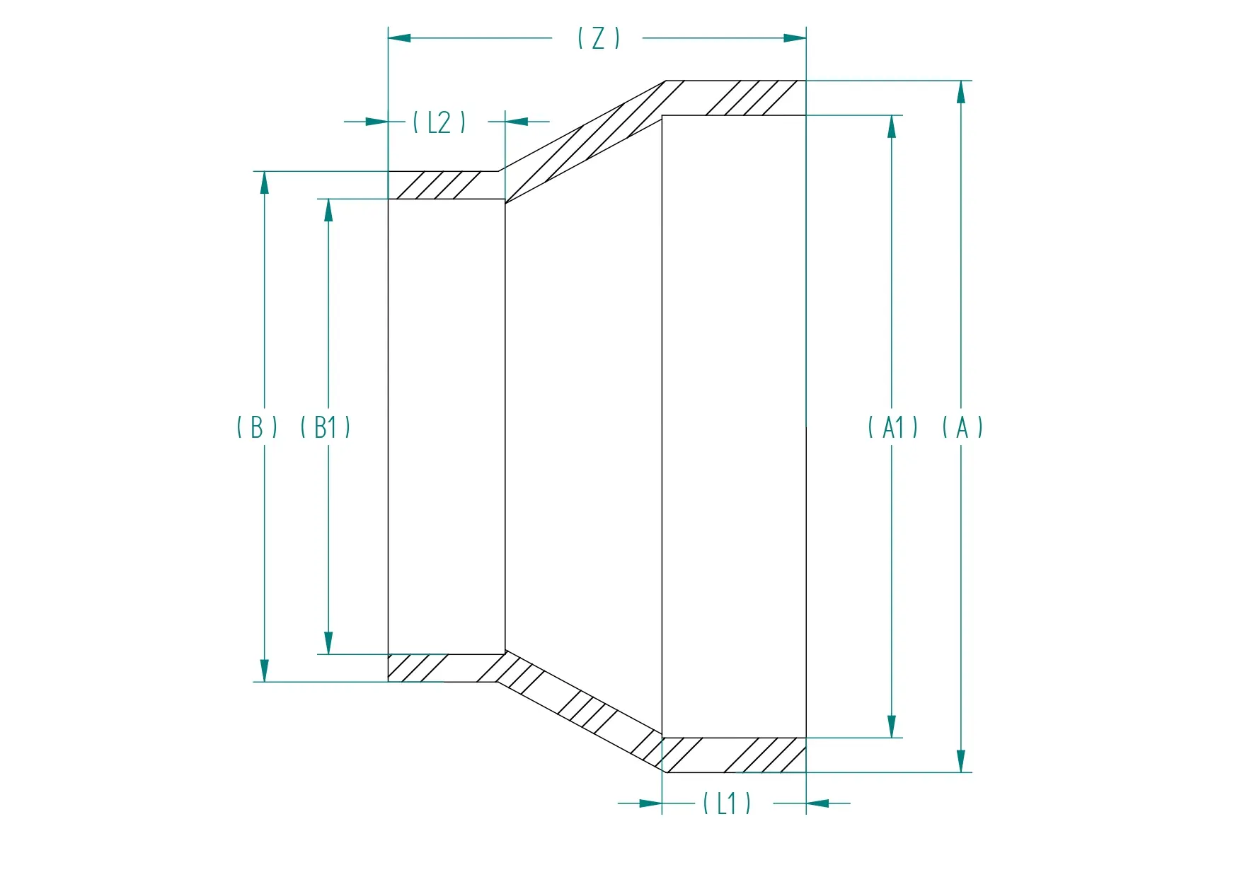
PPH Reducer PPH Reducer DATA SHEET FOR PPH Reducer Dimensions for PPH Reducer Dimensions for PPH Reducer PPH REDUCER SIZE A A1 B B1 L1 L2 INCH MM 1″ × 1 1/2″ 32 × 20 40 31.3 25 19.3 20 15 1″ × 3/4″ 32 × 25 40 31.3 32 24.3 20 15 1″ × 2″ 32 × 63 40 31.3 75 62.1 20 25 2″ × 4″ 63 × 110 75 61.1 131 108.3 25 32